

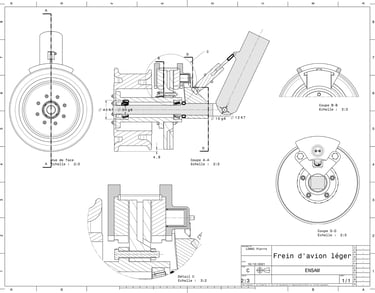
Aircraft Brake
In this advanced course project, we were challenged to design the landing gear for a small aeroplane. Armed with the aircraft's specific requirements and the geometry of the rim, our task was to define the mechanical assembly and its technical specifications meticulously. This project represents my most sophisticated endeavour in CAD to date.
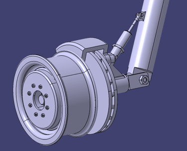
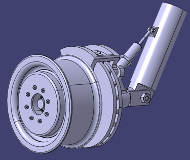
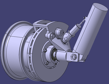
CAD Design
Every aspect of our design was meticulously dimensioned for maximum robustness, from the brake disc's size to the number of screws uniting the components. Each part and contour was purposefully crafted to fulfill a specific function, culminating in a fully operational and resilient aircraft landing gear.








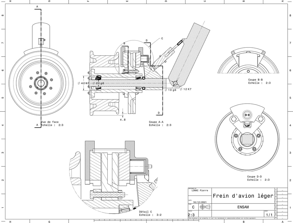
2-D Layout
To ensure clarity and comprehensive understanding of my design, I created detailed 2D drawings of the landing gear. These drawings included sectional views, which were instrumental in illustrating the rationale behind each technical decision. This approach not only demonstrated the design's intricacies but also facilitated a deeper appreciation of the engineering principles applied.
